您所在的位置:首 页 >超小型高压模块电源
超小型高压模块电源
Ultraminiature high-voltage module power supply

K1系列

K1系列高压模块电源为一款引针式、高精度、超小型DC/DC高压模块电源,具有正极性或负极性输出多种规格,额定输出电压从100V至600V可选,最大输出功率1W。用户可通过外控电压或外调多圈电位器,对输出电压进行连续线性调节。电源外壳采用低电阻、高导磁率的金属材料,具备良好的电磁屏蔽性能。


产品特点

▶ 输出高稳定性、高精度;

▶ 低纹波、低静态功耗;

▶ 超低的温度漂移;

▶ 输出电压连续线性可调;

▶ 金属壳体、超小体积、重量轻;

▶ 良好的输出过载及短路保护功能;

▶ 低EMI、抗干扰能力强;

▶ 响应速度快;


电源轴侧图

典型应用

雪崩管、计数管、高压偏置等;

广泛应用于激光测距、光谱仪、核探测、超声波探伤等领域。


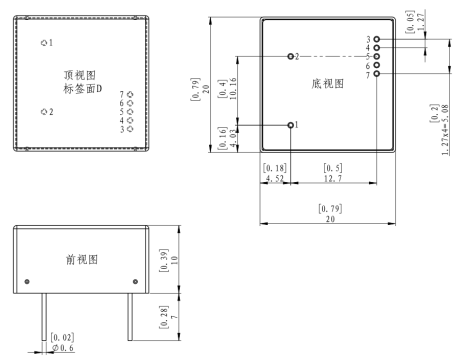
外形结构及尺寸


规格说明


技术参数 规格指标
输入电压(典型) +5VDC±10% +12VDC±1V +24VDC±2V
输出电压 详见“典型产品列表”,可根据用户需求进行特殊定制。
输出电流
输出功率 ≤1W
纹波与噪声 额定负载下,纹波峰峰值最低小于0.01%额定输出电压
电压调整率 额定负载下,输入电压最大允许范围内,最低小于0.05%
负载调整率 输入电压一定,负载从空载至额定,最低小于0.1%
时漂 ≤0.05%/h  (电源工作30分钟后)
温漂 ≤0.05%/℃
基准电压输出 +2.5VDC±1%,Ir>1mA +5VDC±1%或+10VDC±1%(Vin≥15V),Ir>1mA
接地方式 控制与输入、输出共地,外壳接地
保护方式 限流型
电位器输出 外接多圈电位器(≥10KΩ)
外控电压输出 0~+2.5VDC 0~+5VDC或0~+10VDC
静态电流 ≤2mA
接地方式 控制与输入、输出共地,外壳接地
保护方式 限流型
工作温度范围 -25℃~+65℃(工业级)
储存温度范围 -45℃~+85℃(工业级)
相对湿度 20%~85% (无冷凝)
电源重量 约8g
外壳材质 锌白铜
外形尺寸 20*20*10mm

典型产品列表
电源型号 输入电压 输出电压范围 输出电流 纹波噪声 电压调整率 负载调整率
DW-P201-3AK1 +5VDC ±10% 0~+200 V 3 mA ≤0.02% ≤0.1% ≤0.5%
DW-N201-3AK1 0~-200 V
DW-P301-2AK1 0~+300 V 2 mA ≤0.01% ≤0.1% ≤0.5%
DW-N301-2AK1 0~-300 V
DW-P501-1AK1 0~+500 V 1 mA ≤0.01% ≤0.1% ≤0.5%
DW-N501-1AK1 0~-500 V
DW-P201-3CK1 +12VDC ±1V 0~+200 V 3 mA ≤0.02% ≤0.05% ≤0.1%
DW-N201-3CK1 0~-200 V
DW-P301-2CK1 0~+300 V 2 mA ≤0.01% ≤0.05% ≤0.1%
DW-N301-2CK1 0~-300 V
DW-P501-1.5CK1 0~+500 V 1.5 mA ≤0.01% ≤0.05% ≤0.1%
DW-N501-1.5CK1 0~-500 V
DW-P201-3FK1 +24VDC ±2V 0~+200 V 3 mA ≤0.02% ≤0.05% ≤0.1%
DW-N201-3FK1 0~-200 V
DW-P301-2FK1 0~+300 V 2 mA ≤0.01% ≤0.05% ≤0.1%
DW-N301-2FK1 0~-300 V
DW-P501-1.5FK1 0~+500 V 1.5 mA ≤0.01% ≤0.05% ≤0.1%
DW-N501-1.5FK1 0~-500 V

引针功能定义
序号 引针符号 功能定义 序号 引针符号 功能定义
1 HV 高压输出 5 GND1 控制地
2 HGND 输出地 6
GND 输入地
3 Vref 基准电压 7
+Vin 供电输入
4 Vadj 控制电压



注:PCB制作时注意引针方向。

产品图片

版权所有 © 2022 TianjinDongwen High Voltage Power Supply Corp. 津ICP备19011698号 津公网安备12011202000624号

022-24311533

在线留言

返回顶部

 

在线留言